杏彩
中国政府网
河北省政府网站
杏彩网站
简体中文
网站地图
联系我们
进入适老化
网站杏彩
机构概况
杏彩
政务公开
政务服务
公众互动
数据中心
专题专栏
海洋生态环境保护
您当前的位置
>
杏彩
>
海洋生态环境保护
名称
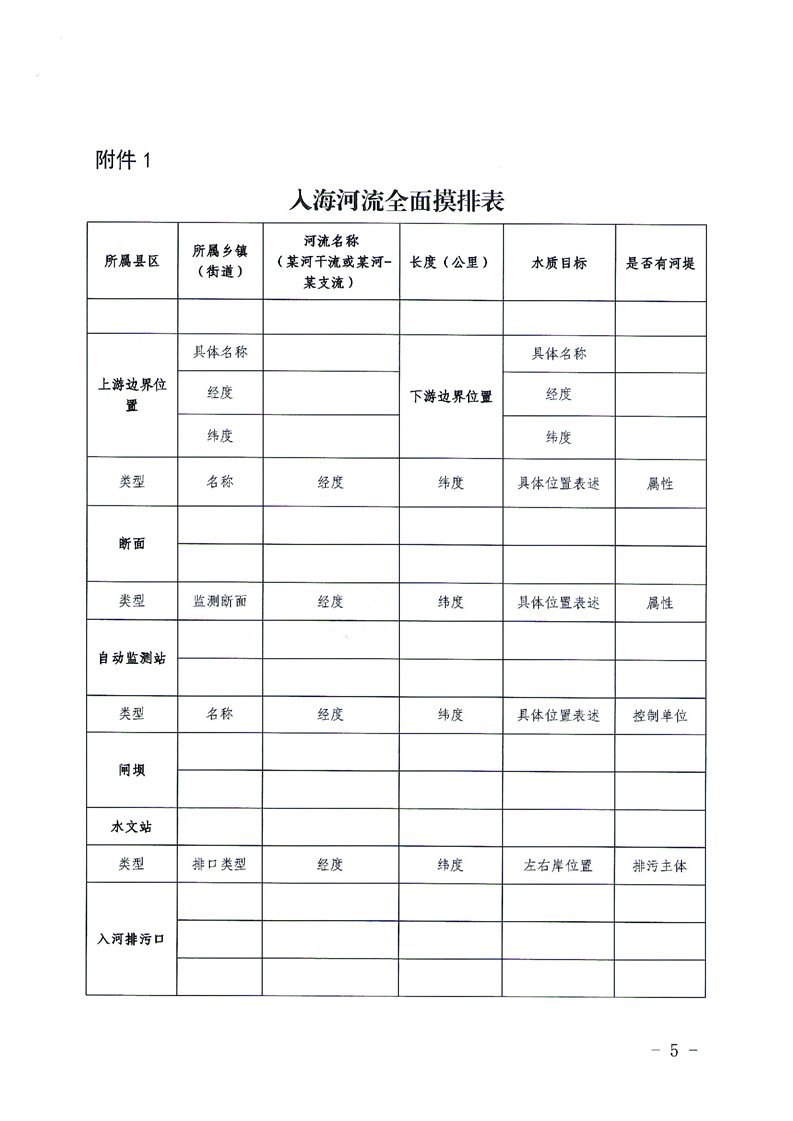
关于开展入海河流总氮溯源全面摸排专项行动的通知
发布机构
海洋生态环境处
索引号
0218077J/2023-00322
主题分类
海洋生态环境保护
文号
发布日期
主题词
效力状态
关于开展入海河流总氮溯源全面摸排专项行动的通知
发布日期:2023-04-25 14:24
信息来源:海洋生态环境处
访问量:
?
字体 :
[ 大 ]
[ 中 ]
[ 小 ]
扫一扫在手机打开当前页
上一篇:
杏彩(中国)官方网站 组织召开秦皇岛市生态环境治理项目推进会
下一篇:
关于开展入海河流总氮溯源全面摸排专项行动的通知
保护视力色:
分享
打印本页
关闭窗口
您访问的链接即将离开“杏彩(中国)官方网站 ”门户网站 是否继续?
放弃
继续访问
海洋生态环境保护
关于开展入海河流总氮溯源全面摸排专项行动的通知
来源:海洋生态环境处 时间:2023-04-25